SF32LB56xV-硬件设计指南¶
基本介绍¶
本文的主要目的是帮助开发人员完成基于SF32LB56xV系列芯片的手表方案开发。本文重点介绍方案开发过程中的硬件设计相关注意事项,尽可能的减少开发人员工作量,缩短产品的上市周期。
SF32LB56xV芯片是用于超低功耗人工智能物联网(AIoT)场景下的高集成度、高性能的系统级(SoC)MCU芯片。芯片创新地采用了基于ARM Core-M33 STAR处理器的大小核架构,同时集成了业界最高性能2.5D图形引擎,人工智能神经网络加速器,以及低功耗蓝牙5.3,可广泛用于腕带类可穿戴电子设备、智能移动终端、智能家居等各种应用场景。
SF32LB56xV芯片处理器外设资源如下:
120个GPIO
6x UART
7x I2C
5x GPTIM
4x SPI
1x I2S音频接口
2x SDIO 存储接口
1x差分模拟音频输出
1x差分模拟音频输入
支持单/双/四数据线SPI显示接口、DBI 8080、DPI和串/并行JDI模式显示接口
支持带GRAM和不带GRAM的两种显示屏
支持SWD和UART下载和软件调试
封装¶
封装介绍¶
SF32LB56xV的封装信息如表2-1所示。
封装名称 |
尺寸 |
管脚间距 |
球直径 |
---|---|---|---|
WBBGA175 |
6.5x6.1x0.94 mm |
0.4 mm |
0.25mm |
WBBGA175封装¶

典型应用方案¶
图3-1是典型的运动手表组成框图,主要功能有显示、存储、传感器、震动马达和音频输入和输出。

备注
大小核双CPU架构,同时兼顾高性能和低功耗设计要求
外置充电管理芯片
支持GPADC检测电池电压功能
电源供电采用Buck,LDO以及Load Switch方案
支持3/4-wire SPI、Dual/Quad data SPI、DBI 8080、DPI和串/并口JDI等显示屏,最高支持1024*1024分辨率
支持PWM背光控制
支持外接QSPI接口的Nor Flash存储芯片
支持外接QSPI接口的NAND Flash存储芯片
支持外接SDIO接口的NAND Flash存储芯片
支持蓝牙5.3通信
支持模拟音频输入
支持模拟音频输出
支持I2S音频接口
支持PWM震动马达控制
支持SPI/I2C接口的加速度/地磁/陀螺仪传感器
支持I2C接口的心率/血氧/心电图传感器
支持SEGGER J-Link SWD调试和烧写工具
支持UART调试打印接口
支持蓝牙 HCI调试接口
支持产线一拖多程序烧录
支持产线校准晶体功能
支持OTA在线升级功能
原理图设计指导¶
电源¶
系列芯片内置有PMU单元,PVDD可以支持1.71~3.6V的电源输入。PMU支持1路Buck和多路LDO给芯片内部电路供电,各电源管脚的详细接法参考表4-1。
处理器供电要求¶
SF32LB56xV供电规格:
PMU电源管脚 |
最小电压(V) |
典型电压(V) |
最大电压(V) |
最大电流(mA) |
详细描述 |
---|---|---|---|---|---|
PVDD |
1.71 |
1.8 |
3.6 |
100 |
PVDD 电源输入 |
BUCK_LX BUCK_FB |
- |
1.25 |
- |
100 |
BUCK_LX输出,接电感内部电源输入,接电感另一端,且外接电容 |
LDO1_VOUT |
- |
1.1 |
- |
50 |
LDO1输出,外接电容 |
LDO2_VOUT |
- |
0.9 |
- |
20 |
LDO2输出,外接电容 |
VDD_RET |
- |
0.9 |
- |
1 |
RET LDO输出,外接电容 |
VDD_RTC |
- |
1.1 |
- |
1 |
RTC LDO输出,外接电容 |
MIC_BIAS |
1.4 |
- |
2.8 |
- |
MIC电源输出 |
AVDD_BRF |
1.71 |
1.8 |
3.3 |
1 |
射频电源输入 |
AVDD33_ANA |
3.15 |
3.3 |
3.45 |
50 |
模拟电源+射频PA电源输入 |
AVDD33_AUD |
3.15 |
3.3 |
3.45 |
50 |
模拟音频电源 |
VDDIOA |
1.71 |
1.8 |
3.45 |
- |
PA12-PA78 I/O电源输入 |
VDDIOA2 |
1.71 |
1.8 |
3.45 |
- |
PA0-PA11 I/O电源输入 |
VDDIOB |
1.71 |
1.8 |
3.45 |
- |
PB I/O电源输入 |
VDDIOSA |
1.71 |
1.8 |
1.98 |
- |
SIPA电源输入 |
VDDIOSB |
1.71 |
1.8 |
1.98 |
- |
SIPB电源输入 |
VDDIOSC |
1.71 |
1.8 |
1.98 |
- |
SIPC电源输入 |
SF32LB56xV系列芯片电源管脚外接电容推荐值如表4-2所示。
电源管脚 |
电容 |
详细描述 |
---|---|---|
PVDD |
0.1uF + 10uF |
靠近管脚的地方至少放置10uF和0.1uF 共2颗电容. |
BUCK_LX BUCK_FB |
0.1uF + 4.7uF |
靠近管脚的地方至少放置4.7uF和0.1uF 共2颗电容. |
LDO1_VOUT |
4.7uF |
靠近管脚的地方至少放置1颗4.7uF电容. |
LDO2_VOUT |
4.7uF |
靠近管脚的地方至少放置1颗4.7uF电容. |
VDD_RET |
0.47uF |
靠近管脚的地方至少放置1颗0.47uF电容. |
VDD_RTC |
1uF |
靠近管脚的地方至少放置1颗1uF电容. |
AVDD_BRF |
4.7uF |
靠近管脚的地方至少放置1颗4.7uF电容. |
AVDD33_ANA |
4.7uF |
靠近管脚的地方至少放置1颗4.7uF电容. |
GPADC_VREFP |
4.7uF |
靠近管脚的地方至少放置1颗4.7uF颗电容. |
AVDD33_AUD |
4.7uF |
靠近管脚的地方至少放置1颗4.7uF颗电容. |
AUD_VREF |
1uF |
靠近管脚的地方至少放置1颗1uF颗电容. |
MIC_BIAS |
1uF |
靠近管脚的地方至少放置1颗1uF电容. |
VDDIOA |
1uF |
靠近管脚的地方至少放置1颗1uF电容. |
VDDIOA2 |
1uF |
靠近管脚的地方至少放置1颗1uF电容. |
VDDIOB |
1uF |
靠近管脚的地方至少放置1颗1uF电容. |
VDDIOSA |
0.1uF |
靠近管脚的地方至少放置1颗0.1uF电容. |
VDDIOSB |
0.1uF |
靠近管脚的地方至少放置1颗0.1uF电容. |
VDDIOSC |
0.1uF |
靠近管脚的地方至少放置1颗0.1uF电容. |
思澈PMIC芯片电源分配¶
SF30147C是一款针对超低功耗可穿戴产品的高集成度、高效率、高性价比的电源管理芯片。SF30147C集成了1路高效率和低静态电流的BUCK,输出1.8V,最高提供500mA的驱动电流。SF30147C集成了4路低压差和低静态电流的LDO,输出2.8~3.3V,最大提供100mA的驱动电流。
SF30147C集成了7路低静态电流、低导通电阻负载开关。其中,2个高压负载开关,适用于电池电压直接驱动的外设,如音频功放等;5个低压开关,适用于1.8V供电的外设。
SF32LB56XV可以通过TWI接口和SF30147C通讯。SF30147C的各路电源输出使用情况请见表4-3所示,该芯片的详细情况请参见《DS0002-SF30147C-芯片技术规格书》文档。
SF30147C 电源管脚 |
最小电压(V) |
最大电压(V) |
最大电流(mA) |
详细描述 |
---|---|---|---|---|
VBUCK |
1.8 |
1.8 |
500 |
SF32LB56xV的PVDD,VDDIOA,VDDIOA2,VDDIOB,VDDIOSA,VDDIOSB,VDDIOSC,AVDD_BRF等1.8V电源输入 |
LVSW1 |
1.8 |
1.8 |
100 |
I2S Class-K PA逻辑供电输入 |
LVSW2 |
1.8 |
1.8 |
100 |
G-SENSOR 1.8V供电输入 |
LVSW3 |
1.8 |
1.8 |
150 |
心率 1.8V供电输入 |
LVSW4 |
1.8 |
1.8 |
150 |
LCD 1.8V供电输入 |
LVSW5 |
1.8 |
1.8 |
150 |
EMMC CORE供电输入 |
LDO1 |
2.8 |
3.3 |
100 |
SF32LB56xV的AVDD33_ANA,AVDD33_AUD,VDDIOA2等3.3V电源输入 |
LDO2 |
2.8 |
3.3 |
100 |
EMMC或SD NAND供电输入 |
LDO3 |
2.8 |
3.3 |
100 |
LCD 3.3V供电输入 |
LDO4 |
2.8 |
3.3 |
100 |
心率3.3V供电输入 |
HVSW1 |
2.8 |
5 |
150 |
模拟Class-K PA供电输入 |
HVSW2 |
2.8 |
5 |
150 |
GPS供电输入 |
上电时序和复位¶
SF32LB56xV芯片PMU内部集成了POR(Power on reset)和BOR(Brownout reset)功能,具体要求如图4-1所示。

系统上电,PVDD上升到1.5V,系统完成POR;当PVDD下降到触发BOR的电压值(2.5V-1.5V可配置)时,PMU输出复位信号,系统复位。
典型电源电路¶
推荐使用SF30147C给SF32LB56xV及各种外设供电,电路图参考如图4-2所示,具体说明参见表4-1。

SF32LB56xV系列芯片内置1路BUCK输出,如图4-3所示。

SF32LB56xV系列芯片内置4路LDO,如图4-4所示。

处理器BUCK电感选择要求¶
重要
功率电感关键参数
L(电感值) = 4.7uH ± 20%,DCR(直流阻抗) ≦ 0.4 ohm,Isat(饱和电流) ≧ 450mA。
电池及充电控制¶
运动手表一般内置一块聚合物锂电池包,整个电源系统需要增加一套充电电路来完成电池的充电。
典型的充电电路由保护电路(EOS、ESD和OVP保护)、充电管理芯片和电池等组成。图4-5电路中的充电管理芯片不带路径管理功能,系统电源直接和电池VBAT挂在一起。该方案的成本较低,缺点是下游模块无法与VBAT彻底断开,漏电功耗较大,长期放置容易造成电池过放。

如图4-6所示,充电管理芯片的涓流充电电流必须大于i1+i2,才能实现对过放电池的充电,如果涓流充电电流小于i1+i2,导致无法对过放的电池进行充电。

图4-7电路中的充电管理芯片带有路径管理功能,由于VSYS给系统供电和VBAT给电池充电是分开的,即使电池过放,也不影响对下游系统的供电。

启动模式¶
SF32LB56xV系列芯片提供一个Mode管脚来配置启动模式,不使用时可悬空,参考电路图如图4-8所示:

注意
Mode管脚定义:
=1,系统启动时进入下载模式,不会进入用户程序; =0,系统启动时rom会检查是否存在用户程序,存在就进入用户程序,否则就进入下载模式。
注意事项:
Mode的电压域是和VDDIOA同一电压域;
Mode外接10K电阻到电源或GND,保持电平稳定,不能悬空也不能有toggle干扰;
Mode管脚在量产板上必须留测试点,程序下载或校准晶体时要用到,可以不用预留跳线;
Mode管脚在测试板上建议要预留跳线,程序死机后方便从下载模式启动下载程序。
处理器工作模式及唤醒源¶
SF32LB56xV系列芯片HCPU和LCPU都支持表4-4中的多种工作模式。
工作模式 |
CPU |
外设 |
SRAM |
IO |
LPTIM |
唤醒源 |
唤醒时间 |
---|---|---|---|---|---|---|---|
Active |
Run |
Run |
可访问 |
可翻转 |
Run |
||
WFI/WFE |
Stop |
Run |
可访问 |
可翻转 |
Run |
任意中断 |
< 0.5us |
DEEPWFI |
Stop |
Run |
可访问 |
可翻转 |
Run |
任意中断 |
< 5us |
Light sleep |
Stop |
Stop |
不可访问, 全保留 |
电平保持 |
Run |
RTC/GPIO/ LPTIM/LPCOMP/ 跨系统中断/蓝牙 |
< 100us |
Deep sleep |
Stop |
Stop |
不可访问, 全保留 |
电平保持 |
Run |
RTC/GPIO/ LPTIM/LPCOMP/ 跨系统中断/蓝牙 |
< 300us |
Standby |
Reset |
Reset |
不可访问,LP全保留,HP只保留160KB |
电平保持 |
Run |
RTC/按键/LPTIM/ 跨系统中断/蓝牙 |
1.5ms +recovery |
Hibernate rtc |
Reset |
Reset |
数据不保留 |
高阻 |
Reset |
RTC/按键 |
> 2ms |
Hibernate pin |
Reset |
Reset |
数据不保留 |
高阻 |
Reset |
按键 |
> 2ms |
注意
使用Standby mode作为关机:
由于GPIO的电平可以保持,VDDIOSA和VDDIOSB可以常供电,合封的存储器IO上不会漏电。
需要将MPI1,MPI2上的存储设备设置为低功耗模式来降低功耗。
使用Hibernate mode作为关机:
由于GPIO的电平无法保持,VDDIOSA和VDDIOSB的供电需要关闭,避免合封存储器的IO上漏电。
VDDIOSA和VDDIOSB的供电开关的控制信号使用PBR0。
VDDIOSC需要常供电,进入Hibernate mode前使NOR Flash进入deep power down mode。
如表4-5所示,全系列芯片支持14个可唤醒中断源,可以唤醒大核或小核CPU。
中断源 |
管脚 |
详细描述 |
---|---|---|
WKUP_PIN0 |
PB32 |
中断信号0 |
WKUP_PIN1 |
PB33 |
中断信号1 |
WKUP_PIN2 |
PB34 |
中断信号2 |
WKUP_PIN3 |
PB35 |
中断信号3 |
WKUP_PIN4 |
PB36 |
中断信号4 |
WKUP_PIN5 |
PA50 |
中断信号5 |
WKUP_PIN6 |
PA51 |
中断信号6 |
WKUP_PIN7 |
PA52 |
中断信号7 |
WKUP_PIN8 |
PA53 |
中断信号8 |
WKUP_PIN9 |
PA54 |
中断信号9 |
WKUP_PIN10 |
PBR0 |
中断信号10 |
WKUP_PIN11 |
PBR1 |
中断信号11 |
WKUP_PIN12 |
PBR2 |
中断信号12 |
WKUP_PIN13 |
PBR3 |
中断信号13 |
时钟¶
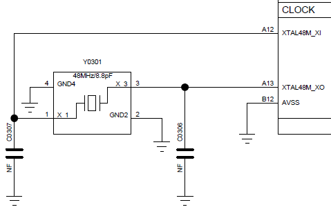
SF32LB56xV系列芯片需要外部提供2个时钟源,48MHz主晶体和32.768KHz RTC晶体,晶体的具体规格要求和选型请参见表4-6,表4-7所示。
重要
晶体关键参数
晶体 |
晶体规格要求 |
详细描述 |
---|---|---|
48MHz |
7pF≦CL≦12pF(推荐值8.8pF) △F/F0≦±10ppm ESR≦30 ohms(推荐值22ohms) |
晶振功耗和CL,ESR相关,CL和ESR越小功耗越低,为了最佳功耗性能,建议采用CL和ESR在要求范围内相对较小值的物料。晶体旁边预留并联匹配电容,当CL<12pF时,无需焊接电容 |
32.768KHz |
CL≦12.5pF(推荐值7pF)△F/F0≦±20ppm ESR≦80k ohms(推荐值38Kohms) |
晶振功耗和CL,ESR相关,CL和ESR越小功耗越低,为了最佳功耗性能,建议采用CL和ESR在要求范围内相对较小值的物料。晶体旁边预留并联匹配电容,当CL<12.5pF时,无需焊接电容 |
晶体推荐
型号 |
厂家 |
参数 |
---|---|---|
E1SB48E001G00E |
Hosonic |
F0 = 48.000000MHz,△F/F0 = -6 ~ 8 ppm, CL = 8.8 pF,ESR = 22 ohms Max TOPR = -30 ~ 85℃,Package =(2016 公制) |
ETST00327000LE |
Hosonic |
F0 = 32.768KHz,△F/F0 = -20 ~ 20 ppm, CL = 7 pF,ESR = 70K ohms Max TOPR = -40 ~ 85℃,Package =(3215 公制) |
SX20Y048000B31T-8.8 |
TKD |
F0 = 48.000000MHz,△F/F0 = -10 ~ 10 ppm, CL = 8.8 pF,ESR = 40 ohms Max TOPR = -20 ~ 75℃,Package =(2016 公制) |
SF32K32768D71T01 |
TKD |
F0 = 32.768KHz,△F/F0 = -20 ~ 20 ppm, CL = 7 pF,ESR = 70K ohms Max TOPR = -40 ~ 85℃,Package =(3215 公制) |
注:SX20Y048000B31T-8.8的ESR略大,静态功耗也会略大些。 PCB走线时,在晶体下面至少挖掉第二层的GND铜来减少时钟信号上的寄生负载电容。
详细的物料认证信息,请参考: SIFLI-MCU-AVL-认证表
射频¶
SF32LB56xV系列芯片射频PCB走线要求为50ohms特征阻抗,如果天线是匹配好的,射频上无需再增加额外器件。设计时建议预留π型匹配网络用来杂散滤波。请参考图4-9所示电路。

大小核处理器如何接外设¶
SF32LB56xV系列芯片内部有2个处理器系统,其中PAx的GPIO接到HCPU系统,PBx的GPIO接到LCPU系统;HCPU可以访问LCPU的所有外设资源,LCPU不推荐访问HCPU的资源。HCPU最高可以跑到240HMz主频,用来提供高性能运算、图形处理和高分辨率/帧率显示,外挂存储器、显示接口和其他高功耗的设备需要接到HCPU上。
LCPU常规跑48M@0.9V,最高可以跑到96M@1.1V,用来处理BLE的协议栈和低功耗模式下的心率和加速度传感器控制、充电和PMIC管理、电压监测和开关机管理。
显示¶
SF32LB56xV系列芯片支持3-Line SPI、4-Line SPI、Dual data SPI、Quad data SPI、DBI 8080、DPI和串/并行JDI 接口。支持16.7M-colors(RGB888)、262K-colors(RGB666)、65K-colors(RGB565)和 8-color(RGB111)Color depth模式。最高支持1024RGBx1024 分辨率。LCD driver支持列表如表4-8所示。
型号 |
厂家 |
分辨率 |
类型 |
接口 |
---|---|---|---|---|
RM69090 |
Raydium |
368*448 |
Amoled |
3-Line SPI,4-Line SPI,Dual data SPI, Quad data SPI,MIPI-DSI |
RM69330 |
Raydium |
454*454 |
Amoled |
3-Line SPI,4-Line SPI,Dual data SPI, Quad data SPI,8-bits 8080-Series MCU ,MIPI-DSI |
ILI8688E |
ILITEK |
368*448 |
Amoled |
Quad data SPI,MIPI-DSI |
SH8601A |
晟合技术 |
454*454 |
Amoled |
3-Line SPI,4-Line SPI,Dual data SPI, Quad data SPI,8-bits 8080-Series MCU ,MIPI-DSI |
SPD2012 |
Solomon |
356*400 |
TFT |
Quad data SPI |
GC9C01 |
Galaxycore |
360*360 |
TFT |
Quad data SPI |
ST77903 |
Sitronix |
400*400 |
TFT |
Quad data SPI |
SPI/QSPI 显示接口¶
SF32LB56xV系列芯片支持 3/4-wire SPI和Quad-SPI 接口来连接LCD显示屏,各信号描述如表4-9所示。
SPI信号 |
I/O |
详细描述 |
---|---|---|
CSX |
PA36 |
使能信号 |
WRX_SCL |
PA37 |
时钟信号 |
DCX |
PA39 |
4-wire SPI 模式下的数据/命令信号 Quad-SPI 模式下的数据1 |
SDI_RDX |
PA38 |
3/4-wire SPI 模式下的数据输入信号 Quad-SPI 模式下的数据0 |
SDO |
PA38 |
3/4-wire SPI 模式下的数据输出信号 请和SDI_RDX短接到一起 |
D[0] |
PA40 |
Quad-SPI 模式下的数据2 |
D[1] |
PA41 |
Quad-SPI 模式下的数据3 |
REST |
PA43 |
复位显示屏信号 |
TE |
PA33 |
Tearing effect to MCU frame signal |
MCU8080显示接口¶
SF32LB56xV系列芯片支持 MCU8080 接口来连接LCD显示屏,如表4-10所示。
MCU8080信号 |
I/O |
详细描述 |
---|---|---|
CSX |
PA36 |
Chip select |
WRX |
PA37 |
Writes strobe signal to write data |
DCX |
PA39 |
Display data / command selection |
RDX |
PA38 |
Reads strobe signal to write data |
D[0] |
PA40 |
Data 0 |
D[1] |
PA41 |
Data 1 |
D[2] |
PA28 |
Data 2 |
D[3] |
PA29 |
Data 3 |
D[4] |
PA30 |
Data 4 |
D[5] |
PA31 |
Data 5 |
D[6] |
PA32 |
Data 6 |
D[7] |
PA34 |
Data 7 |
REST |
PA43 |
Reset |
TE |
PA33 |
Tearing effect to MCU frame signal |
DPI显示接口¶
SF32LB56xV系列芯片支持DPI接口来连接LCD显示屏,如表4-11所示。
DPI信号 |
I/O |
详细描述 |
---|---|---|
CLK |
PA45 |
时钟信号 |
DE |
PA47 |
数据有效信号 |
HSYNC |
PA44 |
行同步信号 |
VSYNC |
PA42 |
列同步信号 |
SD |
PA50 |
控制关闭Display |
CM |
PA51 |
切换Normal Color还是Reduce Color Mode |
R0 |
PA14 |
像素信号 |
R1 |
PA13 |
像素信号 |
R2 |
PA16 |
像素信号 |
R3 |
PA24 |
像素信号 |
R4 |
PA19 |
像素信号 |
R5 |
PA21 |
像素信号 |
R6 |
PA23 |
像素信号 |
R7 |
PA25 |
像素信号 |
G0 |
PA28 |
像素信号 |
G1 |
PA30 |
像素信号 |
G2 |
PA32 |
像素信号 |
G3 |
PA33 |
像素信号 |
G4 |
PA34 |
像素信号 |
G5 |
PA29 |
像素信号 |
G6 |
PA31 |
像素信号 |
G7 |
PA35 |
像素信号 |
B0 |
PA36 |
像素信号 |
B1 |
PA37 |
像素信号 |
B2 |
PA38 |
像素信号 |
B3 |
PA43 |
像素信号 |
B4 |
PA41 |
像素信号 |
B5 |
PA39 |
像素信号 |
B6 |
PA40 |
像素信号 |
B7 |
PA46 |
像素信号 |
JDI 显示接口¶
SF32LB56xV系列芯片支持并行和串行JDI接口来连接LCD显示屏,并行JDI如表4-12所示,串行JDI如表4-13所示。
JDI信号 |
I/O |
详细描述 |
---|---|---|
JDI_VCK |
PA41 |
Shift clock for the vertical driver |
JDI_VST |
PA40 |
Start signal for the vertical driver |
JDI_XRST |
PA39 |
Reset signal for the horizontal and vertical driver |
JDI_HCK |
PA36 |
Shift clock for the horizontal driver |
JDI_HST |
PA38 |
Start signal for the horizontal driver |
JDI_ENB |
PA43 |
Write enable signal for the pixel memory |
JDI_R1 |
PA29 |
Red image data (odd pixels) |
JDI_R2 |
PA31 |
Red image data (even pixels) |
JDI_G1 |
PA34 |
Green image data (odd pixels) |
JDI_G2 |
PA32 |
Green image data (even pixels) |
JDI_B1 |
PA30 |
Blue image data (odd pixels) |
JDI_B2 |
PA28 |
Blue image data (even pixels) |
JDI_XFRP |
PBR1 |
Liquid crystal driving signal (“On” pixel) |
JDI_VCOM/FRP |
PBR2 |
Common electrode driving signal/ Liquid crystal driving signal (“Off” pixel) |
JDI信号 |
管脚 |
详细描述 |
---|---|---|
JDI_SCS |
PA39 |
Chip Select Signal |
JDI_SCLK |
PA41 |
Serial Clock Signal |
JDI_SO |
PA40 |
Serial Data Output Signal |
JDI_DISP |
PA36 |
Display ON/OFF Switching Signal |
JDI_EXTCOMIN |
PA38 |
COM Inversion Polarity Input |
触摸和背光接口¶
SF32LB56xV系列芯片支持I2C格式的触摸屏控制接口和触摸状态中断输入,同时支持1路PWM信号来控制背光电源的使能和亮度,如表4-14所示。
触摸屏和背光信号 |
管脚 |
详细描述 |
---|---|---|
Interrupt |
PA50 |
触摸状态中断信号(可唤醒) |
I2C1_SCL |
PA48 |
触摸屏I2C的时钟信号 |
I2C1_SDA |
PA49 |
触摸屏I2C的数据信号 |
BL_PWM |
PA35 |
背光PWM控制信号 |
Reset |
PA44 |
触摸复位信号 |
存储¶
SF32LB56xV外接存储器¶
SF32LB56xV支持SPI Nor/Nand、SD Nand Flash和eMMC外设,其中SPI Nor/NAND Flash采用MPI接口,SD NAND Flash采用SD接口,这几种类型的flash芯片物理管脚完全兼容。接口定义如表4-15,4-16所示,表中的PA06~PA11这几个GPIO供电管脚是VDDIOA2,独立于其他GPIO的电压域。
MPI的信号定义如表4-15所示,SD的信号定义如表4-16所示,eMMC的信号定义如表4-17所示。
Flash 信号 |
I/O信号 |
详细描述 |
---|---|---|
CS# |
PA06 |
Chip select, active low. |
SO |
PA07 |
Data Input (Data Input Output 1) |
WP# |
PA08 |
Write Protect Output (Data Input Output 2) |
SI |
PA09 |
Data Output (Data Input Output 0) |
SCLK |
PA10 |
Serial Clock Output |
Hold# |
PA11 |
Data Output (Data Input Output 3) |
备注
SPI NAND Flash的Hold#管脚需要通过10K电阻上拉到SPI NAND Flash的供电电源。
Flash 信号 |
I/O信号 |
详细描述 |
---|---|---|
SD2_CMD |
PA09 |
命令信号 |
SD2_D1 |
PA11 |
数据1 |
SD2_D0 |
PA10 |
数据0 |
SD2_CLK |
PA08 |
时钟信号 |
SD2_D2 |
PA06 |
数据2 |
SD2_D3 |
PA07 |
数据3 |
eMMC 信号 |
I/O信号 |
详细描述 |
---|---|---|
SD1_CMD |
PA27 |
命令信号 |
SD1_CLK |
PA26 |
时钟信号 |
SD1_D0 |
PA22 |
数据0 |
SD1_D1 |
PA15 |
数据1 |
SD1_D2 |
PA12 |
数据6 |
SD1_D3 |
PA20 |
数据3 |
SD1_D4 |
PA21 |
数据4 |
SD1_D5 |
PA19 |
数据 5 |
SD1_D6 |
PA13 |
数据6 |
SD1_D7 |
PA14 |
数据7 |
按键¶
SF32LB56xV系列芯片的PB32支持长按复位功能,推荐PB32设计为按键,同时支持短按开关机功能和长按复位功能。如图4-10所示,设计上采用高电平有效方式,长按复位功能需要长按10s以上芯片会自动复位。
SF32LB56xV系列芯片支持功能按键输入以及旋钮信号输入,按键或旋钮信号需要上拉。按键用法如图4-11所示。也可以支持光追踪传感器,推荐使用I2C4接口,信号连接如表4-18所示。
I2C信号 |
I/O |
详细描述 |
---|---|---|
SDA |
PA18 |
光追踪传感器I2C 数据信号 |
SCL |
PA17 |
光追踪传感器I2C 时钟信号 |


备注
一般的机械旋钮编码开关,有旋转后开关不能恢复到关闭状态,所以上拉电阻接的电源要求在待机时可以关闭,防止漏电。
振动马达¶
SF32LB56xV系列芯片支持多路PWM输出,可以用做振动马达的驱动信号。图4-12所示为推荐电路,如果马达震动时的电流不会引起系统的不稳定,也可以直接使用VBAT供电。

重要
如果软件打开了#define BSP PM FREQ SCALING 1
的HCPU主频降频功能宏定义,HCPU进入idle线程后,主频会变低,相对应Hcpu的PA口的PWM频率也会变化,
所以推荐使用PB接口来输出PWM信号。
音频接口¶
SF32LB56xV系列芯片的音频相关接口,如表4-19所示,音频接口信号有以下特点:
支持一路差分ADC输入,外接模拟MIC,中间需要加容值至少2.2uF的隔直电容,模拟MIC的电源接芯片MIC_BIAS电源输出脚;
支持一路差分DAC输出,外接模拟音频PA, DAC输出的走线,按照差分线走线,做好包地屏蔽处理,还需要注意:Trace Capacitor < 10pF, Length < 2cm。
音频信号 |
I/O |
详细描述 |
---|---|---|
AU_ADC1P |
ADCP |
差分P或单端模拟MIC输入 |
AU_ADC1N |
ADCN |
差分模拟MIC输入N或GND |
AU_DAC1P |
DACP |
差分模拟输出P |
AU_DAC1N |
DACN |
差分模拟输出N |
I2S1_LRCK |
PA71 |
I2S2帧时钟 |
I2S1_SDI |
PA69 |
I2S2数据输入 |
I2S1_SDO |
PA64 |
I2S2数据输出 |
I2S1_BCK |
PA73 |
I2S2位时钟 |
SF32LB56xV系列芯片模拟MEMS MIC推荐电路如图4-13所示,模拟ECM MIC 单端推荐电路如图4-14所示,模拟ECM MIC 差分推荐电路如图4-15所示,其中AU_ADC1P,AU_ADC1N是连接到SF32LB56xV的ADC输入管脚。



SF32LB56xV系列芯片的模拟音频输出推荐电路如图4-16所示,注意虚线框内的差分低通滤波器要靠近芯片端放置 。

I2S音频PA连接电路图如图4-17所示,采用I2C3配置I2S音频PA的寄存器。

PBR接口说明¶
SF32LB56xV系列芯片提供4个PBR接口,其主要特点:
PBR0在开机阶段会从0变1, 用来做某些外部LSW控制,PBR1-PBR3都是默认输出0;
PBR0-PBR3无论是standby还是hibernate,都可以做输出;
PBR0-PBR3可以输出LPTIM信号;
PBR1-PBR3可以输出32K时钟信号;
PBR0-PBR3可以配置为输入,用来做唤醒信号输入,MCU醒的时候,收不到中断。
传感器¶
SF32LB56xV系列芯片支持心率,加速度传感器等,设计中,需要注意心率,加速度传感器的I2C,SPI,控制接口,中断唤醒等接口,推荐使用LCPU的PB接口。心率和加速传感器的供电电源,采用SF30147C的LVSWx或LDO输出,可以实现供电电源根据需要进行开关。
UART和I2C管脚设置¶
SF32LB56xV系列芯片支持任意管脚UART和I2C功能映射,所有的PA接口都可以映射成UART或I2C功能管脚。PB口除了PB32~36和PBR0~3外,所有的IO都可以映射成UART或I2C功能管脚。
GPTIM管脚设置¶
SF32LB56xV系列芯片支持任意管脚GPTIM功能映射,所有的PA接口都可以映射成GPTIM功能管脚。PB口除了PB32~36和PBR0~3外,所有的IO都可以映射成GPTIM功能管脚。
调试和下载接口¶
SF32LB56xV系列芯片支持Arm®标准的SWD调试接口,可以连接到EDA工具上进行单步运行调试。如图4-18所示,连接SEEGER® J-Link® 工具时需要把调试工具的电源修改为外置接口输入,通过SF32LB56xV电路板给J-Link工具供电。
SF32LB56xV系列有1路SWD进行调试信息输出,有1路默认的UART口用来下载和打印log,具体请参考表4-20。
信号 |
管脚 |
详细描述 |
---|---|---|
SWCLK |
PB15 |
JLINK时钟信号,调试接口 |
SWDIO |
PB13 |
JLINK数据信号,调试接口 |
UART4_RXD |
PB16 |
串口接收信号,下载和打印log接口 |
UART4_TXD |
PB17 |
串口发送信号,下载和打印log接口 |

产线烧录和晶体校准¶
思澈科技提供脱机下载器来完成产线程序的烧录和晶体校准。
硬件设计时,请注意至少预留测试点:VBAT、GND、VDDIOB、Mode、SWDIO、SWCLK、RXD4、TXD4,PB20或PB21或PB25。
详细的烧录和晶体校准见“**_脱机下载器使用指南.pdf”文档,包含在开发资料包中。
原理图和PCB图纸检查列表¶
见“Schematic checklist.xlsx”和“PCB checklist.xlsx”文档,包含在开发资料包中。
PCB设计指导¶
PCB 封装设计¶
封装尺寸
SF32LB56xV芯片的封装为WBBGA封装,封装尺寸:6.5mmx6.1mmx0.94mm 管脚数:175;球间距:0.4mm, 详细尺寸如图5-1所示。

封装形状

焊盘设计

封装PINOUT/BALLMAP
SF32LB56xV的WBBGA封装PINOUT信息,如图5-4所示。

封装基板

PCB 叠层设计¶
SF32LB56xV系列芯片布局支持单双面,PCB不支持PTH板,只支持HDI板,推荐参考叠层如图示5-6所示。

PCB通用设计规则¶
HDI板PCB通用设计规则如图5-7所示,单位为mm。

盲孔设计¶
PCB盲孔设计如图5-8所示,单位为mm。

埋孔设计¶
PCB埋孔设计如图5-9所示,单位为mm。

芯片走线扇出¶
WBBGA封装行列前两排球通过表层扇出方式,如图5-10,其它的球通过内层扇出方式,如图示5-11


时钟接口走线¶
晶体需摆放在屏蔽罩里面,离PCB板框间距大于1mm,尽量远离发热大的器件,如PA、Charge和PMU等电路器件,距离最好大于5MM以上,避免影响晶体频偏,晶体电路禁布区间距大于0.25mm避免有其它金属和器件,如图5-12所示。

48MHz晶体走线建议走表层长度要求控制在3-10mm区间,线宽0.075mm,必须立体包地处理,并且其走线需远离VBAT,DC/DC及高速信号线。48MHz晶体区域下方表层及临层做禁空处理,禁止其它走线从其区域走,如图5-13,5-14,5-15所示。



32.768KHz晶体建议走表层,走线长度控制≤10mm,线宽0.075mm,32K_XI/32_XO平行走线间距≥0.15mm,必须立体包地处理,晶体区域下方表层及临层做禁空处理,禁止其它走线从其区域走, 如图5-16,5-17,5-18所示。



射频接口走线¶
射频匹配电路要尽量靠近芯片端放置,不要靠近天线端放置,AVDD_BRF射频电源其滤波电容尽量靠近芯片管脚放置,电容接地PIN 脚打孔直接接主地,RF信号的π型网络的原理图和PCB分别如图5-19,5-20所示。


射频线建议走表层,避免打孔穿层影响RF 性能,线宽最好大于10mil,需要立体包地处理,避免走锐角和直角,射频线两边多打屏蔽地孔,射频线需做50欧阻抗控制,如图5-21, 5-22所示。


射频电路走线禁止DC-DC,VBAT和高速数字信号从其区域走,比如晶振,高频时钟,及数字接口信号(I2C,SPI,SDIO,I2S,UART等)。
AVSS_RRF,AVSS_TRF,AVSS_TRF2,AVSS_BB 为射频电路接地脚,必须保证其良好接地,建议在其焊盘上直接盲孔并连接到主地,如图5-23所示。

音频接口走线¶
AVDD33_AUD为音频接口供电的管脚,其滤波电容靠近其对应管脚放置,滤波电容接地脚良好接主地,MIC_BIAS为音频接口麦克风的供电电路,其对应滤波电容靠近对应管脚放置,滤波电容接地脚良好接主地AUD_VREF滤波电容靠近管脚放置,如图5-24所示。

ADCP/ADCN为模拟信号输入,对应电路器件尽量靠近对应管脚放置,每一路P/N需要按照差分线形式走线,走线线长尽量短,差分对走线做立体包地处理,其它接口强干扰信号,远离其走线,如图5-25所示。

DACP/DACN为模拟信号输出,对应电路器件尽量靠近对应管脚放置,每一路P/N需要按照差分线形式走线,走线线长尽量短,走线寄生电容小于10pf, ,差分对走线需做立体包地处理,其它接口强干扰信号,远离其走线,如图5-26所示。

USB 接口走线¶
USB走线必须先过ESD器件管脚,然后再到芯片端,要保证ESD器件接地PIN良好连接主地。PA17(USB DP)/PA18(USB_DN) 按照差分线形式走线,按照90欧差分阻抗控制,并做立体包处理,如图5-27所示。图5-28为USB信号的元件布局参考图和PCB走线模型。


SDIO 接口走线¶
SF32LB56xV 支持2个SDIO接口,即SDIO1和SDIO2。所有的SDIO信号走线在一起,避免分开走,整个走线长度≤50mm, 组内长度控制≤6mm. SDIO接口时钟信号需立体包地处理,DATA和CM 信号也需要包地处理,如图5-29a,5-29b所示。


DC-DC 电路走线¶
DC-DC电路功率电感和滤波电容必须靠近芯片的管脚放置,BUCK_LX 走线尽量短且粗,保证整个DC-DC 电路回路电感小,所有的DC-DC输出滤波电容接地脚多打过孔连接到主地平面;BUCK_FB 管脚反馈线不能太细,必须大于0.25mm,功率电感区域表层禁止铺铜,临层必须为完整的参考地,避免其它线从电感区域里走线,如图5-30所示。

电源供电走线¶
PVDD为芯片内置PMU 模块电源输入脚,对应的电容必须靠近管脚放置,走线尽量的粗,不能低于0.5mm; PVSS 为PMU模块接地脚,必须通过过孔连接到主地,避免浮空影响整个PMU 性能,如图5-31所示。

LDO和 IO 电源输入走线¶
所有的LDO输出和IO 电源输入管脚滤波电容靠近对应的管脚放置,其走线宽必须满足输入电流要求,走线尽量短粗,从而减少电源纹波提高系统稳定性;如图5-32所示。

其它接口走线¶
管脚配置为GPADC 管脚信号,必须要求立体包地处理,远离其它干扰信号,如电池电量电路,温度检查电路等。
PBR0~3管脚均可配置为时钟输出管脚信号网络,必须要求立体包地处理,远离其它干扰信号,如32K 输出等。
SF32LB56xV芯片地走线¶
SF32LB56xV芯片中心区域的地网络需要用走线全部连接起来,保证足够的地平面并通过盲埋孔连接到主地平面。如图5-33a、5-33b所示。


EMI&ESD 走线¶
避免屏蔽罩外面表层长距离走线,特别是时钟,电源等干扰信号尽量走内层,禁止走表层;ESD 保护器件必须靠近连接器对应管脚放置,信号走线先过ESD 保护器件管脚,避免信号分叉,没过ESD 保护管脚,ESD器件接地脚必须保证过孔连接主地,保证地焊盘走线短且粗,减少阻抗提高ESD器件性能。
其它¶
USB 充电线测试点必须放置在TVS 管前面,电池座TVS 管 放置在平台前面 其走线必须保证先过TVS 然后再到芯片端,如图5-34所示。

TVS 管接地脚尽量避免走长线再连接到地,如图5-35所示。

Q&A¶
问题1:为什么在Mode = 1 启动时,有些GPIO的默认状态和SPEC描述不同?
答:Mode = 1 启动会进入下载模式,会把外接Flash的MPI3相关GPIO的状态更改。
问题2:为什么焊接电池时可能会造成死机呢?如何避免?
答:由于烙铁的接地不好,可能浪涌冲击导致死机。可以在电池接口上加防浪涌和静电保护,烙铁做良好接地处理就可以避免这些问题。
修订历史¶
版本 |
日期 |
发布说明 |
---|---|---|
0.0.1 |
9/2022 |
Draft版本 |